- Главная
- Технологические источники
- Ионнолучевые источники
Ионнолучевые источники
Источники ионной обработки предназначены для финишной очистки поверхности деталей в вакууме, нанесения покрытий распылением мишеней сформированным пучком, травлением поверхности деталей и нанесенных покрытий, полировки поверхности, ассистирования процессов нанесения покрытий.
Наша компания предлагает источники ионов с холодным катодом и замкнутым дрейфом электронов. В таких источниках ионов реализован замкнутый дрейф электронов в скрещенных электрическом и магнитном полях, ионизация рабочего газа и ускорение ионов в промежутке катод-анод размером порядка Ларморовского радиуса электронов.
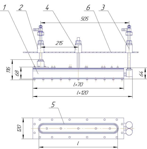
На рис. 1 показан схема одного из вариантов исполнения протяженного линейного ионного источника.

Рис. 1 Схема ионного источника 1-корпус водоохлаждаемый, 2- высоковольтный ввод, 3-ввод охлаждения корпуса 4- ввод рабочих газов, 5- разрядный межэлектродный промежуток, 6- стенки вакуумной камеры
| № | Наименование параметра | Значение |
| 1 | Рабочее давление, Пa | 0.008 - 0.1 |
| 2 | Длина ленточного пучка изготовленных ионных источников, мм | от 50 до 3200 |
| 3 | Средняя энергия ионов при ускоряющем напряжении до 5000 В, эВ; | от 60 до 1000 |
| 4 | Плотностью ионного тока на единицу длины выпускной щели при ширине щели 2 мм, мА/см2 | до10 |
| 5 | Однородность плотности ионного тока по длине ленточного пучка,% | ±3 |
| 6 | Соотношение ток ионного пучка/разрядный ток источника | не менее 0,5 |
| 8 | Рабочие газы | инертные газы, кислород, азот, углеводороды |
- энергией;
- импульсом;
- химическим составом;
- масса ионов;
- заряд ионов.
Имеются два основных варианта исполнения ионно-лучевых источников:
2. Ионные источники с коаксиальным вводом характеризуются возможностью простого изменения положение в вакуумной камере перемещением и вращением по оси источника, либо перемещением источника с узлом уплотнения в любое подходящее отверстие в камере. Коаксиальный ввод не требует дополнительной электрической изоляции и электрически соединен с корпусом установки.
Источники ионов могут комплектоваться катодами нейтрализации или иметь другие конструктивные особенности для управления величиной поверхностного заряда в процессах очистки, травления, распыления мишеней:
- с полым охлаждаемым корпусом (два контура охлаждения анод и корпус);
- модернизированной ионно-оптической системой;
- нейтральным магнитным полем источника;
- с компенсаторами заряженных ионов;
- заслонкой ионного источника, Рис.2
- устройство поворота ионного источника с коаксиальным вводом, Рис. 3
Наши ионные источники имеют проверенные временем и тысячами технологических процессов конструкцию и эксплуатируются не только в России, но и в США, Англии, Венгрии, Австрии и в других странах.
Взаимодействие с Клиентами начинается с подбора технологического источника, подбора дополнительных опций, консультации по стандартным режимам проведения процесса ( обработка ионным источником стеклянных, поликоровых подложек и подложек из других материалов) и продолжается сервисным обслуживанием источников.
Преимущества наших ионных источников:
- предоставляем модель ионного источника для проектировщиков, выдаем оптимальное расстояние до подложки;
- сбалансированное магнитное поле ионное источника, позволяет достигать равномерной обработки на длинномерных подложках и гарантирует отсутствие посторонних примесей в подложку;
- гальваническое покрытие внутренних полостей охлаждения ионного источника, позволяет продлить ресурс работы;
- быстрые сроки изготовления;
- многостадийный контроль качества;
- стабильные характеристики с течением времени;
Обратитесь в нашу компанию и получите ионный источник оптимально подходящий для ваших процессов.